სამზარეულოს ონკანი KFA Duero Basic Inox / HYDRO
მახასიათებლები
პროდუქტის ტექნიკური მონაცემები და პარამეტრები
პროდუქტის დეტალები
- ქვეყანა მწარმოებელი
- პოლონეთი
- მწარმოებელი
- KFA
აღწერა
სამზარეულოს ონკანი KFA Duero Basic Inox / HYDRO
რატომ ღირს წყლის ფილტრაცია?
სამზარეულოს შემრევების კოლექცია Duero Pure წყლის ფილტრაციის ფუნქციით აერთიანებს ჯანმრთელობას, კომფორტს და გარემოს დაცვას. ნახშირის ფილტრის წყალობით შეგიძლიათ დატკბეთ გემრიელი და სუფთა წყლით პირდაპირ ონკანიდან, რაც გამორიცხავს ბოთლის წყლის საჭიროებას. ეს არამარტო კომფორტული, არამედ ეკოლოგიურად სუფთა გადაწყვეტაა, რადგან ონკანის წყლის გამოყენება ათასობით კილოგრამი პლასტმასის დაზოგვაში გეხმარებათ
კომფორტული ფილტრაცია:
სამზარეულოს შემრევი Duero Pure აღჭურვილია ორი ცალკეული არხით გაფილტრული და გაუფილტრავი წყლისთვის, რაც მათ ერთმანეთთან შეზავებას გამორიცხავს. ნიჟარის ქვეშ დამონტაჟებული ფილტრი ასუფთავებს წყალს და პირდაპირ თქვენს ჭიქაში მიედინება. Duero Pure Style მოდელში წყლის ფილტრაციის ფუნქცია გააქტიურდება საცავის წინა მხარეს არსებული ღილაკით.
მაღალი ფუნქციონალობა:
Duero Pure Style შემრევი არა მხოლოდ ეფექტურ ფილტრაციას უზრუნველყოფს, არამედ ხელს უწყობს სამზარეულოს ყოველდღიურ სამუშაოებს. მბრუნავი და გამოწევადი საცავითა და წყლის ნაკადის რეგულირების შესაძლებლობით, ის უზრუნველყოფს განსაკუთრებულ მოხერხებულობას როგორც მომზადების, ისე ჭურჭლის რეცხვის დროს. შემრევი ხელმისაწვდომია სამ თანამედროვე ფერში, რაც მის თქვენი სამზარეულოს დიზაინთან შეხამებას ამარტივებს. იდეალური შემრევის შერჩევა ახლა უფრო მარტივია, ვიდრე ოდესმე.
ტექნიკური მახასიათებლები:
• მწარმოებელი: KFA
• ონკანის მოდელი: Duero Basic Inox
• ფილტრის მოდელი: HYDRO
დამატებითი მახასიათებლები:
• ნაკადების რაოდენობა: 2
• სამუშაო წნევა: 3 ატმ
• ფილტრის სასიცოცხლო დრო: 6 თვე
ფიზიკური პარამეტრები:
• მასალა: უჟანგავი ფოლადი
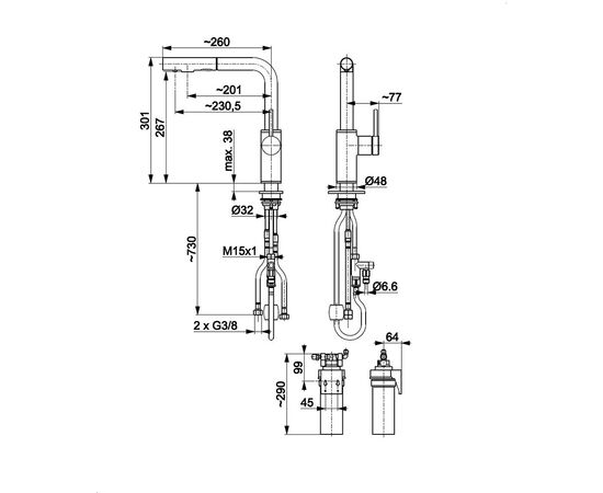
• ხორთუმის სიგრძე: 201 მმ
• სიღრმე: 260 მმ
• სიმაღლე: 301 მმ
• დიამეტრი: 48 მმ
• ფერი: ქრომი
* მწარმოებელი იტოვებს უფლებას გაფრთხილების გარეშე შეიტანოს ცვლილებები პროდუქტის მახასიათებლებში, ფერში, კომპლექტაციასა და დიზაინში. მწარმოებლის მიერ შეტანილ ცვლილებებზე მაღაზია პასუხისმგებლობას არ იღებს.


